小小串聯電阻,竟然有這么大的作用,你可能還不知道!
電阻串聯大家應該在初中的課堂上就有接觸,但那個時候只是比較淺顯的,今天我就來講一下電阻串聯的作用。

電阻串聯常見作用:
第一個作用是:阻抗匹配。
因為信號源的阻抗很低,跟信號線之間阻抗不匹配,串上一個電阻后,可以改善匹配情況,以減少反射,避免振蕩等。
常見的阻抗匹配方法
1、使用變壓器來做阻抗轉換。
2、用串聯/并聯電容或電感的辦法,這在調試射頻電路時常使用。
3、使用串聯/并聯電阻的辦法。一些驅動器的阻抗比較低,可以串聯一個合適的電阻來跟傳輸線匹配,例如高速信號線,有時會串聯一個幾十歐的電阻。而一些接收器的輸入阻抗則比較高,可以使用并聯電阻的方法,來跟傳輸線匹配,例如,485總線接收器,常在數據線終端并聯120歐的匹配電阻。
4、改變阻抗力。通過電容、電感與負載的串并聯調整負載阻抗值,以達到源和負載阻抗匹配。
5、調整傳輸線。調整傳輸線是加長源和負載間的距離,配合電容和電感把阻抗力調整為零。此時信號不會發生發射,能量都能被負載吸收。高速PCB布線中,一般把數字信號的走線阻抗設計為50歐姆。一般規定同軸電纜基帶50歐姆,頻帶75歐姆,對絞線(差分)為85-100歐姆。
第二個作用是:可以減少信號邊沿的陡峭程度,從而減少高頻噪聲以及過沖等。
因為串聯的電阻,跟信號線的分布電容以及負載的輸入電容等形成一個RC電路,這樣就會降低信號邊沿的陡峭程度。大家知道,如果一個信號的邊沿非常陡峭,含有大量的高頻成分,將會輻射干擾,另外,也容易產生過沖。
通常,在高速信號線中才考慮使用這樣的電阻。在低頻情況下,一般是直接連接。
接下來將結合具體案例來講解電阻串聯的作用。
電阻串聯具體應用:
1、SPI信號線
SPI信號上串聯電阻,一般是幾十歐姆左右,一般有如下幾個作用:
1)阻抗匹配。因為信號源的阻抗很低,跟信號線之間阻抗不匹配,串上一個電阻后,可改善匹配情況,以減少反射。
2)SPI的速率較高,串聯一個電阻,與線上電容和負載電容構成RC電路,減少信號陡峭,避免過沖,過沖有時候會損壞芯片GPIO,當然對EMI也有好處,尤其是高速電路。
3)調試方便,現在的芯片很多是BGA、QFN封裝,串聯一個電阻,調試時用示波器抓取波形方便。
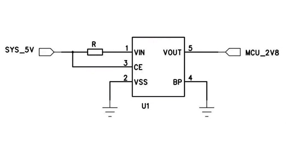
2、LDO輸入端
當LDO的VIN absolute maximum接近電源電壓時,這時候又不想換高規格的LDO,為了節省成本,這時可以串一個小阻值電阻,能吸收一部分電壓和電流,當電源端出現更大的浪涌時,電阻會身先士卒,代價更小。
假設LDO擊穿,VIN和GND短路,因為串聯電阻R的存在,也會避免電源SYS_5V與GND的短路。
3、TVS前后串聯電阻
TVS串聯電阻圖一
TVS串聯電阻圖二
TVS串聯電阻一般有兩種接法,第一個圖電阻在TVS前,第二圖電阻在TVS后,兩種電路使用場景是不一樣的。
先問大家一個問題,電阻和TVS哪個抗浪涌能力強?答案毋庸置疑,當然是TVS。
1)對第一個圖來說,首先要考慮浪涌大小,如果不大,可以選擇一個合適功率的電阻,電阻在TVS前面,會吸收很小一部分的電流,浪涌電流IPP小了之后,對應TVS的Vc(鉗位電壓)也會變小,對后端負載的保護更好。
2)對第二個圖來說,TVS首先吸收大部分的浪涌電流,部分殘壓或者殘流,會經過電阻R2,進行二次的分壓限流,可以更好的保護后端負載。如果后端負載遠大于R2,分壓限流也就微乎其微了,R2其實也就沒啥作用了。